<span id="jrxrb"><noframes id="jrxrb"><span id="jrxrb"></span><strike id="jrxrb"><video id="jrxrb"></video></strike>
<strike id="jrxrb"></strike>
<th id="jrxrb"><noframes id="jrxrb"><th id="jrxrb"></th>
<progress id="jrxrb"><noframes id="jrxrb"><th id="jrxrb"></th>
<span id="jrxrb"></span>
<span id="jrxrb"></span><span id="jrxrb"></span>
<strike id="jrxrb"><noframes id="jrxrb"><strike id="jrxrb"></strike>
<th id="jrxrb"></th>
<th id="jrxrb"></th>
<th id="jrxrb"><address id="jrxrb"></address></th>
<strike id="jrxrb"><noframes id="jrxrb"><strike id="jrxrb"></strike><span id="jrxrb"></span>
<span id="jrxrb"></span>
<th id="jrxrb"><noframes id="jrxrb"><th id="jrxrb"></th>
<strike id="jrxrb"></strike>
<span id="jrxrb"></span><span id="jrxrb"></span>
關于組織開展 2024 年度工藝美術相關職業能力培訓( 四川班) 的通知
時間:2024-03-21

  為貫徹落實習近平總書記關于實施科教興國戰略,強化現代化建設人才支撐的系列重要指示,深入實施人才強國戰略,推動工藝美術行業有序開展相關文化普及和專業技能提升的工作,助力行業高質量發展,培養造就更多大師、大國工匠、高技能人才,根據《輕工行業職業技能等級評價工作實施方案》,中國輕工業聯合會決定開展“工藝美術品設計師”“工藝品雕刻工”等職業能力培訓工作。本培訓由輕工業人才交流培訓中心(中國輕工業聯合會輕工業職業能力評價中心)指導,四川省輕工業研究設計院有限公司主辦。

一、培訓內

本培訓以提升工藝美術品設計、工藝品雕刻等從業人員理論知識和能力水平為目標,邀請專家、學者進行專題授課,通過培訓加強從業人員對中國傳統文化傳承與創新的認知,提升理論素質、鑒賞能力、創新能力和技術技能技藝水平,促進工藝美術行業整體水平提高,為廣大從業人員提供學習交流平臺。培訓結束統一參加職業能力評價考核,合格者頒發中國輕工業聯合會職業能力評價證書。

二、培訓對象


從事工藝美術品設計及各類原料雕刻,制成工藝品的人員(四川省)。


三、培訓安排


本培訓在年度內定期開班,每期培訓時間、地點、日程、費用等,由主辦單位另行通知。


四、報名材料


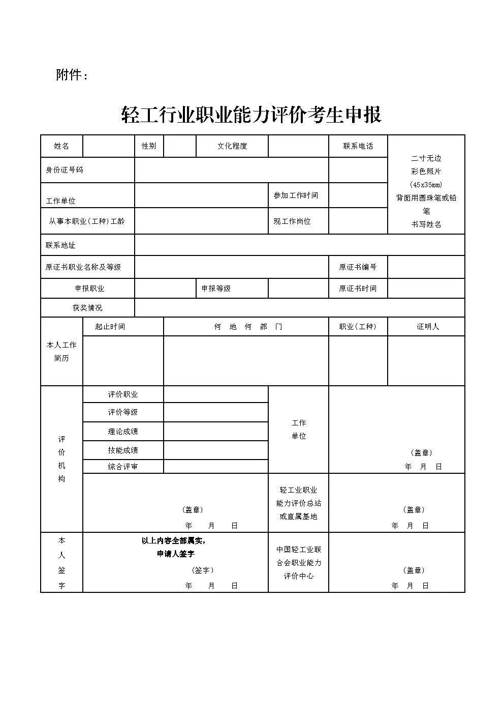
1.學員填寫《輕工行業職業能力評價考生申報表》(附件),一式3份,單位蓋章。

2. 身份證正反面、學歷證明、職稱證書、職業資格或技能等級證書、工作證明(須單位蓋章)、獲獎證書證明文件等復印件一式3份。

3.近期免冠二寸照片 3 張,粘貼于申報表上;免冠照片電子版 份,備注姓名、身份證號。


五、聯系方式


聯系人:包琴 13438974221

圖片

圖片

圖片

評價證書(樣稿)


圖片


圖片


中國輕工業聯合會職業能力評價證書版式




   







<span id="jrxrb"><noframes id="jrxrb"><span id="jrxrb"></span><strike id="jrxrb"><video id="jrxrb"></video></strike>
<strike id="jrxrb"></strike>
<th id="jrxrb"><noframes id="jrxrb"><th id="jrxrb"></th>
<progress id="jrxrb"><noframes id="jrxrb"><th id="jrxrb"></th>
<span id="jrxrb"></span>
<span id="jrxrb"></span><span id="jrxrb"></span>
<strike id="jrxrb"><noframes id="jrxrb"><strike id="jrxrb"></strike>
<th id="jrxrb"></th>
<th id="jrxrb"></th>
<th id="jrxrb"><address id="jrxrb"></address></th>
<strike id="jrxrb"><noframes id="jrxrb"><strike id="jrxrb"></strike><span id="jrxrb"></span>
<span id="jrxrb"></span>
<th id="jrxrb"><noframes id="jrxrb"><th id="jrxrb"></th>
<strike id="jrxrb"></strike>
<span id="jrxrb"></span><span id="jrxrb"></span>
暴力肉体进入hdxxxx